Soluciones innovadoras  de extremo a extremo  

para facilitar el IoT

Odoo - Prueba 1 de tres columnas

Infraestructura de red

Cree y escale una estructura de red LoRaWAN confiable con puertas de enlace de nivel comercial y una plataforma de gestión de flotas.

Odoo - Prueba 2 a tres columnas

Soluciones Modulares

Desarrolle soluciones ágiles de ioT con el mayor ecosistema modular de hardware y software. Aborde los desafíos únicos de cualquier aplicación industrial.

Odoo - Prueba 3 a tres columnas

Soluciones listas para usar

Los dispositivos listos para usar se pueden implementar rápidamente y ponerse en línea de inmediato.

Cómo crear un sensor WISBLOCK personalizado o un módulo WISBLOCK I/O

RAKwireless WisBlock es un sistema IoT modular basado en cuatro bloques principales

WisBlock Base  es la placa de soporte para la fuente de alimentación y la interconexión entre el núcleo, el sensor y los módulos IO.

WisBlock Core  es la unidad de procesamiento de datos con conectividad BLE y  LoRa .

WisBlock IO  son módulos de interfaz que amplían las capacidades de comunicación de  WisBlock.

WisBlock Sensor  son módulos que llevan diferentes tipos de sensores con interfaz I2C.


Hardware WisBlock personalizado

WisBlock  está creciendo rápidamente con más y más módulos de E/S y sensores disponibles. Pero puede haber razones por las que necesite una variación que (todavía) no está disponible en   RAK . Ya sea que necesite un módulo de sensor muy exótico o necesite una tecnología de interfaz que sea un producto propietario de su empresa. Creemos que los módulos de E/S o sensores que no están disponibles en   Zona Industrial SPA  no deberían impedirle desarrollar su solución de IoT basada en   WisBlock .

WisBlock , como proyecto de código abierto/hardware abierto, pone a disposición todos los recursos necesarios para crear su propio módulo personalizado  de  WisBlock .
Sin embargo, un módulo  WisBlock  personalizado tiene que ser mecánicamente compatible con el sistema  WisBlock . Para facilitar el cumplimiento de las restricciones mecánicas, creamos plantillas para los  módulos WisBlock Sensor  y  WisBlock IO  que se pueden usar como punto de partida. Estas plantillas se crean con el sistema EDA de Autodesk EAGLE™, pero se pueden transferir fácilmente a otros sistemas EDA. Las plantillas incluyen el esquema básico, el esquema mecánico de la PCB y la posición correcta de los conectores y puntos de montaje. Los conectores de placa a placa necesarios están disponibles en bibliotecas para los sistemas EDA más comunes.

Cajas WisBlock personalizadas

Además de los módulos  WisBlock, RAKwireless  también ofrece un conjunto de gabinetes que coinciden con el tamaño mecánico y los puntos de fijación  de  WisBlock Pero para su propio producto basado en módulos  WisBlock , es posible que desee elegir el diseño de su gabinete. Para facilitarle el diseño de su propio gabinete, ofr ecemos varios ejemplos de gabinetes interiores y exteriores como punto de partida. También te proporcionamos los modelos 3D de los principales componentes de los productos  WisBlock  que puedes importar en tu aplicación de diseño 3D. Esto facilita verificar si su gabinete personalizado tiene alguna restricción con los módulos  WisBlock .

  

Donde empezar

Lee esto primero 😄

Haga su propia placa de sensor WisBlock

Vista superior
Vista del conector

Proyecto de plantilla

Para facilitar la tarea, hemos preparado un proyecto de ejemplo completo para Autodesk Eagle™. Puede descargarlo  como un archivo comprimido . El proyecto tiene todo lo que necesita para iniciar su propio módulo  WisBlock Sensor . Incluye el conector de placa a placa utilizado en los módulos del  sensor WisBlock  y una forma de PCB predefinida, que hace coincidir los módulos del  sensor WisBlock  originales con el pequeño orificio para fijar el módulo a la placa base WisBlock.

Esquema de la plantilla

El esquema de la plantilla es muy simple. Solo incluye el conector y una tabla que explica la asignación de los pines. Como puede ver, los pines del conector están asignados de manera que puede girar el módulo del sensor 180 grados si es necesario. Los 24 pines del conector están asignados a señales.

Información importante sobre las asignaciones de pines

Algunas cosas que necesita saber.

    • VDD es el voltaje GPIO de la MCU, para un RAK4631 sería 3.3V. Está disponible siempre que su WisBlock esté alimentado por USB o batería.

    • 3V3_S es una fuente de alimentación de 3.3VDC que puede ser controlada por el módulo WisBlock Core.

    • Si su módulo de sensor consume solo unos pocos uA de corriente, puede elegir VDD para alimentar las partes electrónicas de su sensor. Pero si su módulo consume una corriente más alta, se recomienda encarecidamente utilizar 3V3_S como tensión de alimentación. De esta manera puede optimizar el consumo de energía de su aplicación WisBlock por software.

    • Las señales SPI_MISO, SPI_MOSI, SPI_CLK, SPI_CS son para la interfaz SPI. Recomendamos no usar SPI en los módulos del sensor WisBlock , sino usar I2C. Porque la señal SPI_CS es la misma en todas las ranuras del sensor. Solo se puede usar un módulo SPI en las ranuras de extensión del sensor de la placa base WisBlock. Una solución alternativa podría ser usar uno de los GPIO disponibles en la ranura del sensor para la señal de selección del chip SPI.

    • RXD1 y TXD1 solo están disponibles en la ranura A de la placa base WisBlock . Si sus módulos de sensor requieren comunicación en serie, asegúrese de que solo se use en la ranura A. Además, cuando se usan las señales en serie, el módulo no se puede enchufar girado sin cambios en la aplicación de software.

    • Dependiendo de la ranura del sensor, el módulo del sensor está enchufado, los pines del conector 10, 12, 13 y 15 están conectados a diferentes GPIO (IO1, IO2, IO3, IO4, IO5 e IO6). Si planea usar cualquiera de estos 4 pines para IRQ o señales de control, debe asignar el GPIO correcto en su software de aplicación.


    Consulte la tabla para obtener más detalles:

    Placa de circuito impreso de plantilla

    El PCB de la plantilla coincide con el tamaño de los módulos de  sensor WisBlock  estándar. Asegúrese de no mover el conector (conjunto del lado inferior) o el orificio de montaje que fija el módulo en la placa  Base WisBlock.

    Como puede ver, Autodesk Eagle™ se queja de muchos errores de dimensión DRC en todo el montaje. El orificio de montaje y su cobre (conectado a la señal GND) deben ubicarse mecánicamente en el borde de la PCB. Autodesk Eagle™ permite solo una regla de diseño con respecto a la distancia a los bordes de la PCB, de ahí los errores de DRC.

    Información importante sobre el diseño de PCB

    • Como ya se dijo, NUNCA MUEVA EL CONECTOR Y EL AGUJERO DE MONTAJE A UNA UBICACIÓN DIFERENTE.

    • Si los mueve, su sensor WisBlock hecho a sí mismo no encajará en un módulo base WisBlock.

    • Debido al pequeño tamaño de la placa de circuito impreso (10mm x 10mm), es posible que deba cambiar las reglas de diseño para usar conexiones de 4 mil, una distancia de 4 mil entre cobre y 0,2mm de diámetro. Dependerá de su diseño si funciona con las reglas de diseño predeterminadas de Autodesk Eagle™, pero lo más probable es que los cables a las almohadillas del conector no se puedan enrutar.

    • Recomendamos un plano GND en la capa superior e inferior.

    • No coloque componentes en la capa inferior. El espacio entre el módulo del sensor y la placa base es de solo 1 a 2mm.

    Ejemplo de RTC

    Para este ejemplo elegímos un chip RTC muy interesante. Es el módulo RTC  EnerChip™ CBC34803-M5C  fabricado por  CYMBET Corp .

    La parte interesante es que este  chip combina un reloj en tiempo real (RTC) y un calendario optimizados para aplicaciones de bajo consumo con una batería de respaldo de estado sólido recargable integrada y todas las funciones de administración de energía.

    Sí, lo leíste bien. El chip tiene una batería integrada. Uno pequeño, de acuerdo, solo proporciona respaldo de 5 días. Pero eso ya está bastante bien. Y no hay necesidad de una batería de moneda grande o un supercondensador grande para alimentar el RTC durante los períodos de apagado.

    Esquema de ejemplo de RTC

    Echemos un vistazo al esquema RTC del sensor WisBlock.

    Lo primero que debe verificar es que eliminamos la mayoría de las conexiones del conector de placa a placa.

    Solo quedan las redes requeridas. Si no elimina las redes no utilizadas, tendrá problemas más adelante en el diseño de la placa de circuito impreso debido a la asignación duplicada de las señales a la fila de conectores izquierda y derecha. Habrá demasiadas conexiones innecesarias solo entre los pines del conector.

    Para el chip RTC, solo necesitamos las redes de suministro, las redes I2C y 2 líneas IRQ. El diseño alrededor del RTC está tomado de la hoja de datos del

     EnerChip™ CBC34803-M5C.

    PCB de ejemplo de RTC

    Pudimos enrutar todo el diseño en un tablero de dos capas. La conexión fue tan sencilla que se pudo realizar con la función de enrutador automático Autodesk Eagle™. Solo se tuvo que agregar una conexión GND manualmente.

    Como puede ver, colocamos los planos GND recomendados en la parte superior e inferior. Además, el área de cobre abierta alrededor del orificio de montaje es visible. Esta área de cobre está conectada a la señal GND.


    Capa superior RTC


    Capa inferior RTC

    Los archivos Eagle para el PCB de ejemplo RTC se pueden descargar como un archivo comprimido  

    Haga su propia placa WisBlock IO

    Proyecto de plantilla

    Para facilitar la tarea, hemos preparado un proyecto de ejemplo completo para Autodesk Eagle™. Puede descargarlo  como un archivo comprimido  . 

    El proyecto tiene todo lo que necesita para iniciar su propio módulo  WisBlock IO  . Incluye el conector de placa a placa utilizado en los módulos  WisBlock IO  y una forma de PCB predefinida, que hace coincidir los módulos  WisBlock IO  originales con los orificios para fijar el módulo a la  placa base WisBlock .

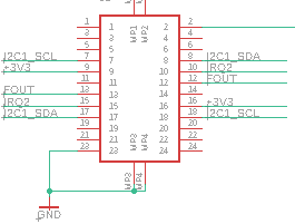
    Esquema de la plantilla

    El esquema de la plantilla es muy simple. Solo incluye el conector y una tabla que explica la asignación de los pines. Los 38 pines del conector están asignados a señales. 2 pines no se usan.

    Información importante sobre las asignaciones de pines

    Algunas cosas que necesita saber.

    • VDD es el voltaje GPIO de la MCU, para un RAK4631 sería 3.3V. Está disponible siempre que su WisBlock esté alimentado por USB o batería.

    • 3V3 es una fuente de alimentación de 3,3 V que está disponible siempre que su WisBlock esté alimentado por USB o batería.

    • 3V3_S es una fuente de alimentación de 3,3 V que puede ser controlada por el módulo WisBlock Core.

    • VBUS son los 5V del conector USB. Este suministro solo está disponible mientras el WisBlock se alimenta a través de USB.

    • USB+ y USB- son la conexión USB del módulo WisBlock Core . Es posible que estas señales no estén disponibles en todos los módulos WisBlock Core

    • I2C2_SDA e I2C2_SCL no están disponibles en todos los módulos WisBlock Core.

    • TXD1 y RXD1 no están disponibles en todos los módulos WisBlock Core.

    Si su módulo IO consume solo unos pocos uA de corriente, puede elegir VDD o 3V3 para alimentar las partes electrónicas de su módulo IO. Pero si su módulo consume una corriente más alta, se recomienda encarecidamente utilizar 3V3_S como tensión de alimentación. De esta manera puede optimizar el consumo de energía de su aplicación WisBlock por software.


    Consulte la tabla para obtener más detalles:

    Placa de circuito impreso de plantilla

    El PCB de la plantilla coincide con el tamaño de los módulos de  sensor WisBlock  estándar. Asegúrese de no mover el conector (conjunto del lado inferior) o los orificios de montaje que fijan el módulo en la placa  Base WisBlock.

    Como puede ver, Autodesk Eagle™ se queja de muchos errores de dimensión de DRC en el conjunto de montaje más grande. El orificio de montaje y su cobre (conectado a la señal GND) deben ubicarse mecánicamente en el borde de la PCB. Autodesk Eagle™ permite solo una regla de diseño con respecto a la distancia a los bordes de la PCB, de ahí los errores de DRC.

    Si no necesita todo el ancho (35 mm) para su módulo IO personalizado, puede reducir el ancho y omitir los dos orificios de fijación más grandes en el lado derecho. Pero asegúrese de que su ancho cubra al menos los 3 orificios de fijación más pequeños del lado izquierdo.

    Información importante sobre el diseño de PCB

    • Como ya se dijo, NUNCA MUEVA EL CONECTORE Y EL AGUJERO DE MONTAJE A UNA UBICACIÓN DIFERENTE, si los mueve, su WisBlock IO hecho por usted mismo no encajará en un módulo WisBlock Base.

    • Debido a la ubicación del conector de placa a placa cerca del borde de la PCB, es posible que deba cambiar las reglas de diseño para usar conexiones de 4 mil, 4 mil de distancia entre cobre y 0,2mm de diámetro. Dependerá de su diseño si funciona con las reglas de diseño predeterminadas de Autodesk Eagle™, pero lo más probable es que los cables a las almohadillas del conector no se puedan enrutar.

    • Recomendamos un plano GND en la capa superior e inferior.

    • No coloque componentes en la capa inferior. El espacio entre el módulo del sensor y la placa base es de solo 1 a 2mm.

    Ejemplo de expansor de E/S

    Para este ejemplo, elegí un chip muy común, el chip  expansor GPIO PCF8574 . Este chip se controla mediante I2C y amplía su recuento de GPIO en 8 GPIO bidireccionales.

    Esquema de ejemplo de I/O Expander

    Echemos un vistazo al esquema del expansor  WisBlock IO .

      Lo primero que debe verificar es que eliminamos la mayoría de las conexiones del conector de placa a placa.  

    Solo quedan las redes requeridas.

    Para el chip expansor IO, solo necesitamos las redes de suministro, las redes I2C y 1 línea IRQ. El diseño alrededor del expansor IO se toma de la hoja de datos del  expansor GPIO PCF8574 .

    PCB de ejemplo de expansor de E/S

    Pudimos enrutar todo el diseño en un tablero de dos capas. La conexión fue tan sencilla que se pudo realizar con la función de enrutador automático Autodesk Eagle™.

    Como puede ver, colocamos los planos GND recomendados en la parte superior e inferior. Además, el área de cobre abierta alrededor del orificio de montaje es visible. Esta área de cobre está conectada a la señal GND.

    Capa superior del expansor I/O

    Capa inferior del expansor IO

    Haga su propia caja WisBlock

    Recopilamos algunas inspiraciones para gabinetes compatibles con WisBlock. Estos ejemplos están probados y no deberían causar problemas en su impresora 3D.

    Que necesitas

    Todos los ejemplos tienen puntos de fijación para la placa base WisBlock y los módulos WisBlock IO. Para su comodidad, compartimos los archivos 3D STEP de la placa base RAK5005-O WisBlock y el módulo RAK5801 WisBlock IO (el módulo IO más grande y más alto) en la carpeta  WisBlock 3D  .


    Evaluación Modular

    Este concepto es tan modular como el propio WisBlock. Tiene un portador de base WisBlock, dos versiones de gabinetes de batería y una tapa.

    La idea es tener un gabinete simple para su WisBlock, que pueda usarse en laboratorio o en espacios de creación. Esto sostiene su placa base WisBlock y permite un fácil acceso a todos los sensores y ranuras IO.

    Lo siguiente es tener una caja de batería (para batería tipo 18650 o baterías planas de iones de litio) que se pueda conectar fácilmente al soporte base.

    Finalmente, una tapa que brinda protección básica a su WisBlock si necesita sacarlo para probarlo.

    Se pueden encontrar más detalles en la carpeta  Evaluación-Modular.

    Ambiente Interior (indoor)

    Esta idea fue inspirada por el  RAKBox-B3 . A pesar de lo agradable que es el gabinete original, tiene el problema de que es demasiado pequeño para adaptarse a cualquiera de los módulos WisBlock IO. Con este nuevo diseño conseguimos un recinto un poco más grande en anchura y longitud, pero con una altura reducida. Los detalles y los archivos 3D se pueden encontrar en la carpeta  Indoor-Environment.

    Solares al aire libre

    Para uso en exteriores, se requiere tener un cierto nivel de impermeabilización. Este concepto funciona bien en la protección de los dispositivos contra daños por agua. Sin embargo, se deben tomar medidas adicionales para lograr estándares de prueba como IP65.

    La mayoría de los recintos exteriores, especialmente los que tienen paneles solares, no están bien diseñados, ya que el panel solar a menudo no apunta hacia el cielo. Causa menos eficiencia en hacer su propósito. Este es un enfoque para hacer un diseño mucho más eficiente.

    Todos los archivos necesarios se pueden encontrar en la carpeta  Outdoor-Solar.

    Copyright © Zona Industrial SpA